DC to 18 GHz Absorptive SP8T
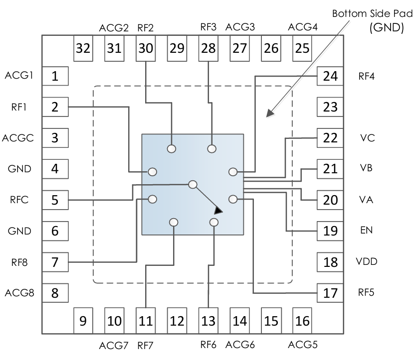
AM6055 is an absorptive Single-Pole-Eight-Throw (SP8T) switch covering the DC to 18 GHZ frequency range suited for a wide range of wireless applications.
AM6055 provides low insertion loss, flat frequency response, high isolation and linearity, and fast switching speed making this switch ideal for high frequency, low power transmit/receive applications. All switch legs feature internal terminations to eliminate unwanted reflections on unselected switch paths. The common path is also selectable to be internally terminated along with all switch outputs to function as an isolation state. The AM6055 requires only a single positive supply and control voltages. With internal 50Ω matching and decoder circuitry, the AM6055 represents a compact total PCB footprint.
Evaluation board includes SMA input and output connectors, SMA voltage input, DIP switch for control of switch settings, and AM6055.

Products formerly Atlanta Microwave
Purpose-Built MMIC Components
Enable Portable Platforms
Leverage the latest in solid-state GaAs technology with off-the-shelf, broadband MMIC devices that operate at high frequency to enable portable and low-power platforms.
Thank you! We have received your message and will be in touch with you shortly.